Acél vágás és hajlítás
A lemezfeldolgozás olyan feldolgozási technológia, amely erőt fejt ki egy vékony lemez alakú fémre, hogy deformálja azt, így háromdimenziós alakot hozzon létre. Konkrétan használjon lemezeket például kémények, vasdobok, olajtartályok, szellőzőcsövek, könyökök, kerek helyek, tölcsérformák stb. készítéséhez.
Általánosságban elmondható, hogy a lemeztechnológia alapfelszereltsége magában foglalja a nyírógépet, a CNC lyukasztógépet / lézert, a plazmát, a vízsugárvágó gépet, a hajlítógépet, a fúrógépet és a különféle segédberendezéseket, mint például: letekercselő, szintezőgép, sorjázógép, ponthegesztőgép stb.
Általában a lemezgyártás négy legfontosabb lépése a nyírás, lyukasztás/vágás, hajtogatás/hengerlés, hegesztés, felületkezelés stb.
A lemezfeldolgozáshoz felhasznált anyagok közé tartozik a rozsdamentes acél, a szénacél (SPCC, SECC), az alumíniumötvözet és más típusok. A lemezvastagság az anyagtól függően is változik, amelyek többsége T=0,1–22 mm.
A lemezfeldolgozás egy olyan feldolgozási technológia, amely rugalmasan képes kezelni a kis tételeket és a többfajta feldolgozást. A lemezfeldolgozás során általános célú berendezéseket használnak minden folyamatban, például "lyukasztásban", "hajlításban" és "hegesztésben", és általános célú szerszámokat is használnak a hajlítási feldolgozásban. Ezért amellett, hogy meg lehet birkózni a kis tételes, többfajta gyártással, a tervezési változásokra is rugalmasan reagálhatunk. Emellett az is nagy előnyt jelent, hogy „lyukasztás”, „hajlítás” és „hegesztés” kombinációjával egyetlen lemezből összetett formájú termékek állíthatók elő.



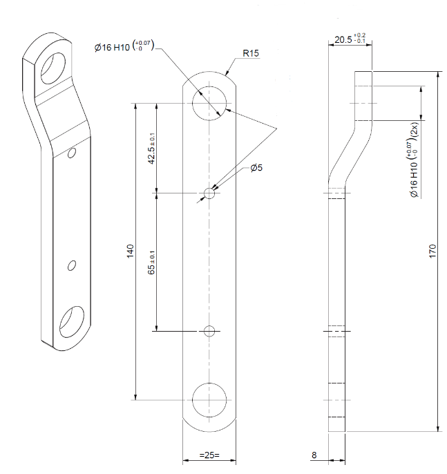
Rajz tervezése és megerősítése
Szerezzen rajzokat az ügyfelektől, vagy tervezzen rajzokat az ügyfelek részletkérésének vagy mintájának megfelelően.
A két fél megerősíti a rajzok részleteit és a termék alapanyagait, felületkezelését stb.

Ár és Rendelés
Kérjen árajánlatot és erősítse meg a rendelési mennyiséget, adja meg az összes részletet, beleértve a kereskedelmi feltételeket, a fizetési feltételeket, a csomag típusát stb.

Szerszámtervezés és gyártás
Tervezze meg és készítse el a szerszámokat a visszaigazolt rajz szerint, szükség esetén végezze el a módosítást a tesztelés során.

Gyártási folyamat tervezése
Műszaki értékelés és elemzés elvégzése a termékszerkezetre, a gyártási folyamat tervezésére, valamint a folyamat megvalósíthatóságának biztosítására.

Minta jóváhagyás
Készítsen első mintákat, és szigorúan ellenőrizze azokat a rajz szerint.
Belső jóváhagyás után küldje el jóváhagyásra az ügyfélnek.

Gyártás és szállítás
Szigorúan állítsa elő az árut a rajzok és az első minták szerint.
Végső ellenőrzést követően jól becsomagolva és az ügyfeleknek kiszállítva.


Miért válassz minket?
- Biztosítjuk, hogy ügyfeleink minden alkalommal elégedettek legyenek lemezgyártási termékeinkkel és szolgáltatásainkkal.
- Csapatunk szenvedélyes és elkötelezett szakemberekből áll, akik elkötelezettek amellett, hogy a legjobb eredményeket nyújtsák ügyfeleink számára.
- Folyamatos fejlődésre törekszünk, hogy ügyfeleinket még jobban ki tudjuk szolgálni és kielégítjük a változó igényeiket.
- Életnek tekintjük a márkákat, ügyelünk a vásárlói igényekre, megfelelünk a kor fejlődésének, törekszünk a szolgáltatás és az értékesítés utáni szolgáltatások fejlesztésére, valamint az őszinte egység kialakítására és a csapathangulatra törekszünk.
- Büszkék vagyunk arra, hogy a lemezgyártási projekteket hatékonyan és határidőre tudjuk megvalósítani.
- Következetesen megvalósítjuk a „fejlesztést hozó innovációt, a megélhetést biztosító kiváló minőséget, a gazdálkodást elősegítő előnyöket, a hitelezést, amely ügyfeleket vonz az acél vágására és hajlítására”.
- Egyablakos ügyintézésünkben minden egyedi lemezgyártási igényt kielégítünk.
- Elnyerjük az ügyfelek bizalmát, mert kiváló minőségű, minőségi szolgáltatásunk van, és időben megoldjuk az ügyfelek problémáit.
- A fémlemezgyártás kiválósága iránti elkötelezettségünknek köszönhetően a megbízhatóság és a minőség hírnevet szerzett nekünk.
- Keményen dolgozunk, hogy tudományos irányítási módszerekkel és erős technikai erővel kísérjük az ipar fejlődését.
Kína egyik vezető gyártójaként büszkék vagyunk arra, hogy olyan terméket kínálunk, amelyet az építőipar egyik legfontosabb eszközének tartanak. Acélvágó és hajlító gépünket úgy tervezték, hogy egyszerűsítse működését azáltal, hogy soha nem látott pontosságot és hatékonyságot biztosít az acélanyagok vágásakor és alakításakor.
Innovatív technológiánk egy gépben egyesíti a vágás és hajlítás előnyeit. Az eredmény egy gyors, megbízható és sokoldalú szerszám, amely nélkülözhetetlen befektetést jelent minden acélanyagokkal foglalkozó vállalkozás számára. Akár egy nagyszabású építési projektet irányít, akár egyszerűen egy megbízható szerszámra van szüksége fémműhelyéhez, acélvágó és hajlító gépünk tökéletes megoldás minden igényére.
Ennek a gépnek az egyik legjelentősebb előnye az általa kínált precizitás. A vágási és hajlítási funkciók integrálva vannak, ami kivételes pontosságot eredményez, amely páratlan a piacon lévő többi gépnél. A pontosság kritikus fontosságú az építési folyamatban, és acélvágó és hajlító gépünk biztosítja, hogy garantálja a projekttervének megfelelő eredményeket.
Gépünk másik előnye a gyorsasága. Az iparág egyik leggyorsabb gépeként drasztikusan lecsökkenti az acélanyagok vágására és hajlítására fordított időt, így növeli vállalkozása általános termelékenységét. Ez viszont megnövekedett bevételt eredményezhet cége számára, ami hosszú távon kiváló befektetést jelenthet.
Acélvágó és hajlító gépünk is hihetetlenül sokoldalú. Úgy tervezték, hogy acélanyagok széles skálájával működjön, beleértve a rozsdamentes acélt, alumíniumot és rézt. Ez biztosítja, hogy a kis hazai projektektől a nagy ipari projektekig sokféle igényt kielégítsen.
Gyártóként mindig hangsúlyozzuk vásárlóink biztonságának és kényelmének fontosságát. Gépünket ennek figyelembevételével terveztük, egyszerűvé és könnyen kezelhetővé téve, miközben minden biztonsági intézkedést megtesznek. Ez azt jelenti, hogy a tapasztalt és tapasztalatlan szakemberek is könnyedén használhatják gépünket.
Végül büszkék vagyunk az értékesítés utáni szolgáltatásunkra, amely páratlan a piacon. Csapatunk mindig készen áll, hogy támogatást, tanácsot és karbantartási szolgáltatásokat kínáljon ügyfeleinknek, biztosítva, hogy mindig hozzáférjen a szükséges segítséghez, amikor szüksége van rá.
Összefoglalva, acélvágó és hajlító gépünk nélkülözhetetlen eszköz minden olyan vállalkozás számára, amely értékeli a pontosságot, a sebességet, a sokoldalúságot, a biztonságot és a kényelmet. Ez egy hosszú távú befektetés, amely azt ígéri, hogy forradalmasítja az építési folyamatot, és új szintre emeli vállalkozását. Válassz minket partnernek, és együtt nagyot léphetünk előre az építőiparban. Lépjen kapcsolatba velünk most, hogy leadhassa rendelését és tapasztalja meg a különbséget!
Népszerű tags: acél vágás és hajlítás, kínai acél vágás és hajlítás gyártók, beszállítók, gyár
Akár ez is tetszhet
A szálláslekérdezés elküldése














